Agricultural
DC Electric Motors for the agricultural sector: comfort and safety in Agricultural Applications

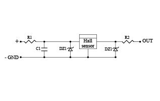
The M-59-H motors are equipped with a noise filter and a circuit with one or two Hall sensors.
The Hall sensor provides a signal to count the number of rotations made by the motor. With two Hall sensor it is possible to determine also the rotation direction of the electric motor.
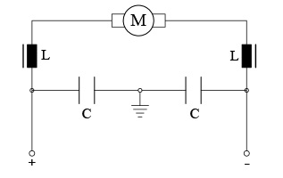
The filter, generally made of an LC-circuit, allows the electric motors to be tested in compliance with the EMC norms.
Below are the electrical data and performance specifications for this range at the most commonly used voltages, 12V and 24V.
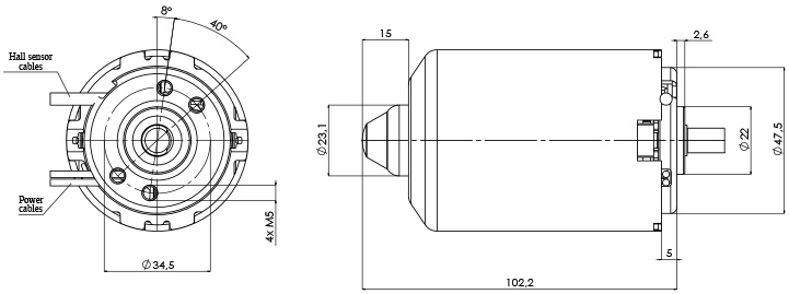
In addition, the mechanical data and a technical drawing of a standard product from this range are also provided. Alternatively, you can request a quotation for custom modifications using the dedicated form.
DC Electric Motors for the agricultural sector: comfort and safety in Agricultural Applications
Efficient, high‑productivity coffee machines, yogurt machines, pastry equipment, honey extractors, and citrus juicers.
Functionality and comfort in home environments with motorized recliners and adjustable beds.
Optimization of automated processes, industrial robotics, assembly systems.
Tailor-made solutions to improve efficiency, productivity, and automation in industrial processes.
DC electric motors for the Marine Sector: Comfort and safety at sea.
DC Electric Motors for the Medical Sector: Comfort and Safety in Medical Applications.
Workspaces with height-adjustable desks for enhanced comfort and productivity.
DC electric motors for opening systems: comfort and safety in gate and shutter automation applications.
Coffee machines, yogurt dispensers, pastry machines, honey extractors and citrus juicers – efficient and productive.
| Standard nominal voltage | 12 V | 24 V |
| No load speed N0 [Rpm] | 1000÷8000 | 2000÷8000 |
| No load current I0 [A] | 0,8÷2 | 0,4÷1 |
| Nominal speed Nn [Rpm] | 800÷7800 | 1800÷7800 |
| Nominal torque Mn [Nm] | 0,04 | 0,06 |
| Nominal current In [A] | 2÷6 | 1÷3 |
| Nominal power Pn [W] | 16÷45 | 16÷45 |
| Stall torque Ms [Nm] | 0,40÷1,30 | 0,40÷1,50 |
| Starting current Is [A] | 15÷80 | 8÷40 |
| Max power Pmax [W] | 50÷150 | 50÷200 |
| Max efficiency ηmax [%] | 50÷80 | 50÷80 |
| Gears materials | |
| Gear ratio | - |
| Type of duty | S3 (Depending on application) |
| Weight [kg] | 0,75 |


