Agricultural
DC Electric Motors for the agricultural sector: comfort and safety in Agricultural Applications

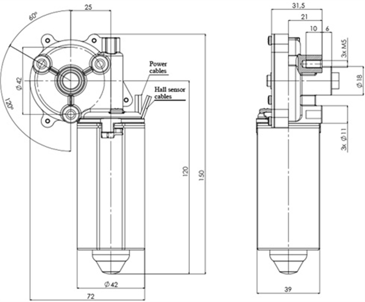
The GML42-25-Z3-H gear motors are equipped with filter and a circuit with one or two Hall sensors. The rotor shaft has a worm with three threads.
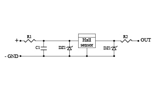
The Hall sensor supplies a signal which allows to count the number of rotations made by the motor. With two Hall sensor it is possible to determine also the rotation direction of the electric motor.
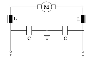
The filter, generally made of an LC-circuit, allows the electric motors to be tested in compliance with the EMC norms.
In the technical data-sheet it is possible to select the output gear shaft, the circuit with one or two Hall sensors and to request a particular set of cables by inserting it in the enquiry form.
In the table “Electric Data” one can see the application voltage range and the performances for the most commonly used voltages, 12V and 24V.
The interactive curve allows to select the required performances by selecting the power voltage and the no-load speed.
DC Electric Motors for the agricultural sector: comfort and safety in Agricultural Applications
Efficient, high‑productivity coffee machines, yogurt machines, pastry equipment, honey extractors, and citrus juicers.
Functionality and comfort in home environments with motorized recliners and adjustable beds.
Optimization of automated processes, industrial robotics, assembly systems.
Tailor-made solutions to improve efficiency, productivity, and automation in industrial processes.
DC electric motors for the Marine Sector: Comfort and safety at sea.
DC Electric Motors for the Medical Sector: Comfort and Safety in Medical Applications.
Workspaces with height-adjustable desks for enhanced comfort and productivity.
DC electric motors for opening systems: comfort and safety in gate and shutter automation applications.
Coffee machines, yogurt dispensers, pastry machines, honey extractors and citrus juicers – efficient and productive.
| Standard nominal voltage | 12 V | 24 V |
| No load speed N0 [Rpm] | 140÷350 | 140÷350 |
| No load current I0 [A] | 0,74÷1,85 | 0,37÷0,93 |
| Nominal speed Nn [Rpm] | 130÷340 | 122÷332 |
| Nominal torque Mn [Nm] | 0,38 | 0,70 |
| Nominal current In [A] | 1,30÷3,25 | 0,90÷2,25 |
| Nominal power Pn [W] | 5,20÷13,50 | 9÷24,30 |
| Stall torque Ms [Nm] | 5,40÷13,50 | 5,40÷13,50 |
| Starting current Is [A] | 8,80÷52 | 4,40÷26 |
| Max power Pmax [W] | 20÷124 | 20÷124 |
| Max efficiency ηmax [%] | 45÷56 | 45÷56 |
| Gears materials | Plastic |
| Gear ratio | 3:59 |
| Type of duty | S3 (Depending on application) |
| Weight [kg] | 0,65 |


